北京立萨科技有限公司
咨询热线:010-82488292
公司电话:010-82488292
公司传真:010-82611646
企业邮箱:sales@lisatech.cn
地址:北京市海淀区中关村大街19号 新中关大厦B座南翼15层1507室
MY-RK3288-MB314 硬件介绍
摘要 : MY-RK3288-MB314 硬件介绍,正面图,背面图,接口功能,串口GPSTF卡座等硬件资料
MY-RK3288-MB314 硬件介绍
1接口概览
1.1正面图
1.2背面图
2接口功能
2.1串口
2.2GPS
2.3TF卡座
2.4HDMI
2.5CIF
2.6MIPI-CSI
2.7SINGEL LVDS
2.8EDP
2.9BL
2.10DUAL LVDS
2.11HP JACK
2.12OTG
2.13USB HOST
2.1410M/100M Ethernet
2.15USB to WIFI
2.161000M Ethernet
2.17mini-PCIE
2.18电压跳线选择
2.19USB to UART
2.20WIFI
2.21DC IN
2.22电源开关
2.2312V IN
2.24RESET
2.25SLEEP WAKE
2.26VOL +
2.27VOL –
2.28RECOVER
2.29扩展接口
2.30JTAG
2.31RTC电池座
2.32MXM314
接口概览
正面图

背面图

接口功能
串口
| 丝印 | 功能 | 接口属性 |
| P4 | 调试串口 | 3线标准RS232接口 |
| P3 | 功能串口 | 3线标准RS232接口 |
引脚及信号定义如下:

U20
| 引脚 | 功能信号名称 | 引脚 | 功能信号名称 |
| U20-1 | C1+ | U20-2 | C1+ |
| U20-3 | C1- | U20-4 | V- |
| U20-5 | C2- | U20-6 | V- |
| U20-7 | T2OUT | U20-8 | R2IN |
| U20-9 | R2OUT | U20-10 | T2IN |
| U20-11 | T1IN | U20-12 | R1OUT |
| U20-13 | R1IN | U20-14 | T1OUT |
| U20-15 | GND | U20-16 | VCC |
GPS
丝印: U24
模块型号:NEO-6M
引脚及信号定义:

| 引脚 | 功能信号名称 | 引脚 | 功能信号名称 |
| U24-1 | Reserved1 | U24-2 | NC |
| U24-3 | tiMEPULSE | U24-4 | EXTINT0 |
| U24-5 | USB_DM | U24-6 | USB_DP |
| U24-7 | VDDUSB | U24-8 | Reserved2 |
| U24-9 | VCC_RF | U24-10 | GND1 |
| U24-11 | RF_IN | U24-12 | GND2 |
| U24-13 | GND3 | U24-14~19 | NC |
| U24-20 | TXD1 | U24-21 | RXD1 |
| U24-22 | V_BCKP | U24-23 | VCC |
| U24-24 | GND |
TF卡座
丝印: U22
接口属性:标准TF卡座
引脚及信号定义:

| 引脚 | 功能信号名称 | 引脚 | 功能信号名称 |
| U22-1 | SDMMC_D2 | U22-2 | SDMMC_D3 |
| U22-3 | SDMMC_CMD | U22-4 | VDD |
| U22-5 | SDMMC_CLK | U22-6 | VSS |
| U22-7 | SDMMC_D0 | U22-8 | SDMMC_D1 |
| U22-9 | SDMMC_DET | U22-10 | GND_01 |
| U22-11 | GND_02 | U22-12 | GND_03 |
| U22-13 | GND_04 |
HDMI
丝印:J14
接口属性:HDMI-1.4标准接口
引脚及信号定义:

| 引脚 | 功能信号名称 | 引脚 | 功能信号名称 |
| J14-1 | HDMI_TX2P | J14-11 | CK_SHIELD |
| J14-2 | D2_SHIELD | J14-12 | HDMI_TXCN |
| J14-3 | HDMI_TX2N | J14-13 | HDMI_CEC |
| J14-4 | HDMI_TX1P | J14-14 | HEC |
| J14-5 | D1_SHIELD | J14-15 | 12C_CLK |
| J14-6 | HDMI_TX1N | J14-16 | 12C_DADT |
| J14-7 | HDMI_TX0P | J14-17 | GND |
| J14-8 | D0_SHIELD | J14-18 | +5V |
| J14-9 | HDMI_TX0N | J14-19 | HOT_PLUG_DET |
| J14-10 | HDMI_TXCP | G1-G4 | HDMI_CHASSIS |
CIF
丝印:J17
接口属性:CIF摄像头接口
引脚及信号定义:

| 引脚 | 功能信号名称 | 引脚 | 功能信号名称 |
| J17-1 | NC | J17-13 | CIF_CLKOUT |
| J17-2 | GND | J17-14 | CIF_D6 |
| J17-3 | CIF_SDA | J17-15 | GND |
| J17-4 | VCC28_DVP | J17-16 | CIF_D5 |
| J17-5 | CIF_SCL | J17-17 | CIF_CLKIN |
| J17-6 | CIF_RST | J17-18 | CIF_D4 |
| J17-7 | CIF_VSYNC | J17-19 | CIF_D0 |
| J17-8 | CIF_PDN0 | J17-20 | CIF_D3 |
| J17-9 | CIF_HRER | J17-21 | CIF_D1 |
| J17-10 | C_DVDD | J17-22 | CIF_D2 |
| J17-11 | VCC18_DVP | J17-23 | NC |
| J17-12 | CIF_D7 | J17-24 | NC |
MIPI-CSI
丝印:J19
接口属性:MIPI-CSI摄像头接口
引脚及信号定义:

| 引脚) | 功能信号名称 | 引脚 | 功能信号名称 |
| J19-1 | NC | J19-16 | MIPI_RX_D3P |
| J19-2 | VCC_2V8 | J19-17 | GND |
| J19-4 | VCC18_DVP | J19-19 | MIPI_RX_D2P |
| J19-5 | NC | J19-20 | MIPI_RX_D2N |
| J19-6 | GND | J19-21 | GND |
| J19-7 | VCC28_DVP | J19-22 | MIPI_RX_D1P |
| J19-8 | GND | J19-23 | MIPI_RX_D1N |
| J19-9 | CSI2-SDA | J19-24 | GND |
| J19-10 | CSI2-SCL | J19-25 | MIPI_CLKP |
| J19-11 | MIPI_RST_1V8 | J19-26 | MIPI_CLKN |
| J19-12 | PWDN1 | J19-27 | GND |
| J19-13 | GND | J19-28 | MIPI_RX_D0P |
| J19-14 | MIPI_CLKIN | J19-29 | MIPI_RX_D0N |
| J19-15 | GND | J19-30 | GND |
SINGEL LVDS
丝印:J8
接口属性:单路LVDS接口,用于连接MY-LCD_LVDS液晶板
引脚及信号定义:

| 引脚 | 功能信号名称 | 引脚 | 功能信号名称 |
| J8-1 | LVDS_D1N | J8-14 | LVDS_CLK0P |
| J8-2 | LVDS_D1P | J8-15 | GND |
| J8-3 | GND | J8-16 | GPIO_B5 |
| J8-4 | LVDS_D0P | J8-17 | GPIO_B6 |
| J8-5 | LVDS_D0N | J8-18 | GND |
| J8-6 | GND | J8-19 | LCDC_BL |
| J8-7 | LVDS_D3N | J8-20 | GND |
| J8-8 | LVDS_D3P | J8-21 | TOUCH_SCL |
| J8-9 | GND | J8-22 | TOUCH_SDA |
| J8-10 | LVDS_D2P | J8-23~25 | GND |
| J8-11 | LVDS_D2N | J8-26~30 | 5V IN |
| J8-12 | GND | 8-31~40 | NC |
| J8-13 | LVDS_CLK0N |
EDP
丝印:J7
接口属性:EDP屏接口,用于连接15.6寸EDP显示屏
引脚及信号定义:

| 引脚 | 功能信号名称 | 引脚 | 功能信号名称 |
| J7-1 | NC | J7-16 | GND |
| J7-2 | GND | J7-17 | EDP_HPD |
| J7-3 | EDP_TX1N | J7-18 | GND |
| J7-4 | EDP_TX1P | J7-19 | GND |
| J7-5 | GND | J7-20 | GND |
| J7-6 | EDP_TX0N | J7-21 | GND |
| J7-7 | EDP_TX0P | J7-22 | BL_EN |
| J7-8 | GND | J7-23 | EDP_BL |
| J7-9 | EDPAUXP | J7-24 | NC |
| J7-10 | EDPAUXN | J7-25 | NC |
| J7-11 | GND | J7-26 | BL_12V |
| J7-12 | GEN_3V3 | J7-27 | BL_12V |
| J7-13 | GEN_3V3 | J7-28 | BL_12V |
| J7-14 | NC | J7-29 | BL_12V |
| J7-15 | GND | J7-30 | GND |
BL
丝印:J5
接口属性:背光12V输出,用于给设备外接屏供给12V背光电压
引脚及信号定义:

| 引脚 | 功能信号名称 | 引脚 | 功能信号名称 |
| J5-1 | GND | J5-4 | BL_EN |
| J5-2 | GND | J5-5 | BL_12V |
| J5-3 | EDP_BL | J5-6 | BL_12V |
DUAL LVDS
丝印:J9
接口属性:双路LVDS接口
引脚及信号定义:

| 引脚 | 功能信号名称 | 引脚 | 功能信号名称 |
| J9-1 | 5V IN | J9-2 | 5V IN |
| J9-3 | 5V IN | J9-4 | GND |
| J9-5 | GND | J9-6 | GND |
| J9-7 | LVDS_D0N | J9-8 | LVDS_D0P |
| J9-9 | LVDS_D1N | J9-10 | LVDS_D1P |
| J9-11 | LVDS_D2N | J9-12 | LVDS_D2P |
| J9-13 | GND | J9-14 | GND |
| J9-15 | LVDS_CLK0N | J9-16 | LVDS_CLK0P |
| J9-17 | LVDS_D3N | J9-18 | LVDS_D3P |
| J9-19 | LVDS_D5N | J9-20 | LVDS_D5P |
| J9-21 | LVDS_D6N | J9-22 | LVDS_D6P |
| J9-23 | LVDS_D7N | J9-24 | LVDS_D7P |
| J9-25 | GND | J9-26 | GND |
| J9-27 | LVDS_CLK1N | J9-28 | LVDS_CLK1P |
| J9-29 | LVDS_D8N | J9-30 | LVDS_D8P |
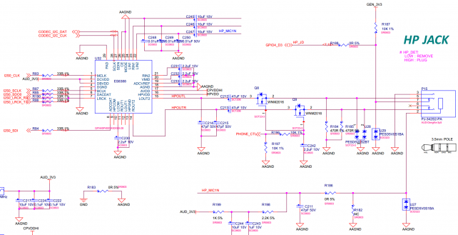
HP JACK
丝印:P15
接口属性:音频接口,用于耳机音频输出以及MIC输入
引脚及信号定义:

U32
| 引脚 | 功能信号名称 | 引脚 | 功能信号名称 |
| U32-1 | 12S0_CLK | U32-6 | 12S0_SDO0 |
| U32-2 | AUD_3V3 | U32-7 | 12S0_LRCK_RX/TX |
| U32-3 | AUD_3V3 | U32-8 | 12S0_SDI |
| U32-4 | AAGND | U32-27 | CODEC_12C_DAT |
| U32-5 | 12S0_SCLK | U32-28 | CODEC_12C_CLK |
OTG
丝印: J1
接口属性:USB OTG接口
引脚及信号定义:

| 引脚 | 功能信号名称 | 引脚 | 功能信号名称 |
| J1-1 | OTG_DET | J1-6 | GND |
| J1-2 | OTG_DM | J1-7 | GND |
| J1-3 | OTG_DP | J1-8 | GND |
| J1-4 | OTG_ID | J1-9 | GND |
| J1-5 | GND |
USB HOST
丝印:J10
接口属性:双层USB接口,通过LAN9514扩展出来的host接口
引脚及信号定义:

| 引脚 | 功能信号名称 | 引脚 | 功能信号名称 |
| J10-1 | PWR1 | J10-7 | USBSN_DP2_B |
| J10-2 | USBSN_DM1_B | J10-8 | GND |
| J10-3 | USBSN_DP1_B | J10-9 | GND |
| J10-4 | GND | J10-10 | GND |
| J10-5 | PWR2 | J10-11 | GND |
| J10-6 | USBSN_DM2_B | J10-12 | GND |
10M/100M Ethernet
丝印:P1
接口属性:标准百兆网接口,通过LAB9514扩展出来的以太网接口,10M/100M自适应
引脚及信号定义:

| 引脚 | 功能信号名称 | 引脚 | 功能信号名称 |
| P1-1 | TXP0 | P1-7 | NC |
| P1-2 | TXN0 | P1-8 | GND |
| P1-3 | RXP0 | P1-9 | GEN_3V3 |
| P1-4 | GND | P1-10 | nSPD_LED_GPIO2 |
| P1-5 | GEN_3V3 | P1-11 | nLNKA_LED_GPIO2 |
| P1-6 | RXN0 | P1-12 | GEN_3V3 |
USB to WIFI
丝印:U26
模块型号:UM12BS
模块描述:USB转WIFI
引脚及信号定义:

| 引脚 | 功能信号名称 | 引脚 | 功能信号名称 |
| U26-1 | GND | U26-4 | USBDN_DM3_B |
| U26-2 | ANTENNA_1 | U26-5 | USBDN_DP3_B |
| U26-3 | GEN_3V3 | U26-6 | GND |
1000M Ethernet
丝印:U13
接口属性:千兆以太网接口,10M/100M/1000M自适应
引脚及信号定义:

| 引脚 | 功能信号名称 | 引脚 | 功能信号名称 |
| U13-1 | TEST POINT | U13-8 | NRGMI_D_P |
| U13-2 | RGMI_A_P | U13-9 | RGMI_D_N |
| U13-3 | RGMI_A_N | U13-10 | GND |
| U13-4 | RGMI_B_P | U13-11 | RGMI_3V3_A |
| U13-5 | RGMI_C_P | U13-12 | RGMI_LED2 |
| U13-6 | RGMI_C_N | U13-13 | RGMI_LED1 |
| U13-7 | RGMI_B_N | U13-14 | RGMI_3V3_A |
mini-PCIE
丝印:J13
接口属性:标准mini-PCIE接口
引脚及信号定义:

| 引脚 | 功能信号名称 | 引脚 | 功能信号名称 |
| J13-1 | NC | J13-2 | GEN_3V3 |
| J13-3 | NC | J13-4 | GND |
| J13-5 | NC | J13-6 | NC |
| J13-7 | NC | J13-8 | PCLE_UIM_PWR |
| J13-9 | GND | J13-10 | PCLE_UIM_DATA |
| J13-11 | NC | J13-12 | PCLE_UIM_CLK |
| J13-13 | NC | J13-14 | PCLE_UIM_RST |
| JJ13-15 | GND | J13-16 | PCLE_UIM_VPP |
| J13-17 | NC | J13-18 | GND |
| J13-19 | NC | J13-20 | NC |
| J13-21 | GND | J13-22 | NC |
| J13-23 | NC | J13-24 | NC |
| J13-25 | NC | J13-26 | GND |
| J13-27 | GND | J13-28 | NC |
| J13-29 | GND | J13-30 | NC |
| J13-31 | NC | J13-32 | NC |
| J13-33 | NC | J13-34 | GND |
| J13-35 | GND | J13-36 | USB_D- |
| J13-37 | GND | J13-38 | USB_D+ |
| J13-39 | GEN_3V3 | J13-40 | GND |
| J13-41 | GEN_3V3 | J13-42 | LED_WWAN_B |
| J13-43 | GND | J13-44 | NC |
| J13-45 | NC | J13-46 | NC |
| J13-47 | NC | J13-48 | NC |
| J13-49 | NC | J13-50 | GND |
| J13-51 | NC | J13-52 | GEN_3V3 |
电压跳线选择
丝印:J15
接口属性:5V/3.3V跳线

USB to UART
丝印:J16
接口属性:USB扩展UART接口
引脚及信号定义:

| 引脚 | 功能信号名称 | 引脚 | 功能信号名称 |
| J16-1 | GEN_3V3 | J16-2 | GEN_3V3 |
| J16-3 | USB_TXD | J16-4 | USB_RXD |
| J16-5 | USB_nRTS | J16-6 | USB_nCTS |
| J16-7 | USB_nDTR | J16-8 | USB_nDSR |
| J16-11 | NC | J16-12 | NC |
| J16-13 | USB_CBUS0 | J16-14 | USB_CBUS1 |
| J16-15 | USB_CBUS2 | J16-16 | USB_CBUS3 |
| J16-17 | USB_CBUS4 | J16-18 | NC |
| J16-19 | GND | J16-20 | GND |
WIFI
丝印: E1
接口属性:标准WIFI天线座

DC IN
丝印: J3
接口属性:外部5V主电源输入,2.5A

电源开关
丝印: J2
接口属性:主电源开关
状态属性:—,闭合,O,断开

12V IN
丝印:J4
接口属性:外部12V输入
引脚及信号定义:

| 引脚 | 功能信号名称 | 引脚 | 功能信号名称 |
| J4-1 | BL_12V | J4-3 | GND |
| J4-2 | BL_12V | J4-4 | GND |
RESET
丝印: SW4
按键属性:复位按键

SLEEP WAKE
丝印: SW3
按键属性:系统开关机按键,长按1秒开机,长按3秒关机

VOL +
丝印: SW2
按键属性:控制音量(音量加)

VOL –
丝印: SW1
按键属性:控制音量(音量减)

RECOVER
丝印: SW5
按键属性:烧写按键,与开机键(SW3)同时按下,进入烧写模式

扩展接口
丝印:J11
接口属性:空闲管脚,用于扩展应用
引脚及信号定义:

| 引脚 | 功能信号名称 | 引脚 | 功能信号名称 |
| J11-1 | 5V IN | J11-2 | GEN_3V3 |
| J11-3 | 5V IN | J11-4 | GEN_3V3 |
| J11-5 | NC | J11-6 | HSIC_DATA |
| J11-7 | LIGHT_INT | J11-8 | HSIC_STROBE |
| J11-9 | GSEN_INT | J11-10 | CABC_EN |
| J11-11 | TOUCH_INT | J11-12 | FLASH_EN |
| J11-13 | LCD_RST | J11-14 | SPK_CTL |
| J11-15 | LCD_EN | J11-16 | PMUGPIO0_B5 |
| J11-17 | TOUCH_RST | J11-18 | OTG_VBUS_DRV |
| J11-19 | FLASH_TRIGOUT | J11-20 | PMUGPIO0_B5 |
| J11-21 | GPIO7_B1 | J11-22 | EFUSE_PWR |
| J11-23 | NC | J11-24 | GND |
| J11-25 | 5V_DRV | J11-26 | ADC_1N1 |
| J11-27 | GPIO5_C2 | J11-28 | GND |
| J11-29 | UART1_RST | J11-30 | ADC_1N0 |
| J11-31 | SPI0_CSn1 | J11-32 | GND |
| J11-33 | SPI0_RXD | J11-34 | SPI2_MOS1 |
| J11-35 | SPI0_TXD | J11-36 | SPI2_nCS0 |
| J11-37 | SPI0_CSn0 | J11-38 | SPI2_MISO |
| J11-39 | GND | J11-40 | GND |
| J11-41 | SPI0_CLK | J11-42 | SPI2_CLK |
| J11-43 | GND | J11-44 | GND |
| J11-45 | UART1_CTS | J11-46 | FLASH0_RDY |
| J11-47 | GND | J11-48 | FLASH0_CLE |
| J11-49 | SPDIF_TX | J11-50 | FLASH0_ALE |
| J11-51 | GND | J11-52 | FLASH0_CS0 |
| J11-53 | GND | J11-54 | GND |
| J11-55 | GND | J11-56 | GND |
JTAG
丝印:U19
接口属性:JTAG接口
引脚及信号定义:

| 引脚 | 信号 | 描述 | 引脚 | 信号 | 描述 |
| U19-1 | JTAG_TCK | 测试时钟输入 | U19-2 | GND | 数字地 |
| U19-3 | JTAG_TDO | 测试数据输出 | U19-4 | VCC | 3.3V输入 |
| U19-5 | JTAG_TMS | 测试模式选择 | U19-6 | nRST | 复位 |
| U19-7 | NC | 未连接 | U19-8 | NC | 未连接 |
| U19-9 | JTAG_TDI | 测试数据输入 | U19-10 | GND | 数字地 |
RTC电池座
丝印:BT1
接口属性:RTC纽扣电池接口

MXM314
丝印:U14
接口属性:核心板接口,用于连接MY-RK3288_CB314核心板
管脚功能定义详见MY-RK3288-CB314 硬件介绍
上一篇:i.mx6Q芯片强大的接口标准1970-01-01
下一篇:Videostrong商显主板RK3288 I2C 通讯介绍资料1970-01-01
文章推荐
- RK3288底板+核心板设计过程
- RK3288广告机硬件和软件调试心得
- 一款基于TI Sitara Cortex-A8 AM3358的嵌入式单板机
- BeagleBone产品采用了德州仪器推出的Sitara AM335x Cortex A8 ARM处理器
- 一个带有HDMI视频输入的VS-RK3288方案
- 瑞芯微vs-rk3288方案定制Android 开发板
- RK3288在人脸识别上的应用及外接双路摄像头
- 德州仪器(TI)工业以太网解决方案
- AM335x ARM Cortex-A8处理器-TI DLP 3D打印机总体解决方案
- 瑞星微RK3288方案设计
- i.MX6Q Cortex-A9新一代智能平台
- i.MX6Q车载全触控智能管理终端解决方案
- AM3354嵌入式充电桩计费控制单元主板方案
- 大联大控股世平推出 TI 、NXP 多领域应用人机交互平台
- 强化物联网“心脏”,智能网关设计详解
- TI AM437x系列处理器为核心的嵌入式开发板Rico Board
- 如何用BB Black制作DAC系统
- 采用AM3352工控核心板进行免疫荧光检测仪解决方案
- 人机交互与TI Sitara处理器的产品性能介绍
- Rockchip RK3399 eMMc 的 DTS 配置说明
| 我要评论: | |
| *内 容: |
|
| 验证码: |
|

共有0条评论